菜单导航
当前位置:首页   »  新闻动态 >>  行业新闻
新闻动态
18614012353 18501995144
jingy@jingqutech.com
www.jingqutech.com
北京市丰台区新华国际中心D座B1-107
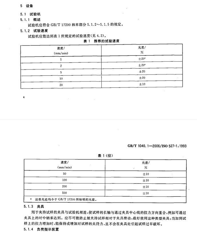
GB/T 塑料拉伸性能的测定
 时间:2022-08-05 | 浏览:

关注官方微信

全国服务热线:

18614012353  

公司地址: 北京市丰台区花乡高立庄616号新华国际中心D座B107室
服务电话:18614012353 
   
公司邮箱:zhaoyan@jingqutech.com
copyright© 2018 北京京衢科技有限责任公司. All Rights Reserved 京ICP备18037854号

我要
留言

咨询
热线

18614012353 18501995144
服务热线

在线
QQ

在线QQ咨询 点击这里给我发消息

关注
微信

关注官方微信
顶部